Quoi! Comment! Pas encore membre d'FF ! Franchissez le pas, incrscrivez vous avec le mail de votre F.A.I (VPN Exclus) et participez à la vie flippéristique
Tu as du te planter dans le point de testsMerci big boss
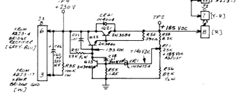
La je pige pas j arrivé a prendre toute les tension avec la vielle carte mais pas la neuve pour le 190v a la vilaine
C'est que le 43V n'arrive pas au fronton, fils, cosses etC...Après la première led le cpu ne me donne que 6 clignotement successif que faut il que je regarde

C'est normalProblème sur haute tension 190 et 230vdc contrôle sur point test carte redressement point 0.
Essaye le café alorsJe suis de formation mécanique changer se qui es bon n est pas ma tasse de thé️.


Suivez la vidéo ci-dessous pour voir comment installer notre site en tant qu'application Web sur votre écran d'accueil.
Note: Cette fonctionnalité peut ne pas être disponible dans certains navigateurs.
Nous utilisons des cookies essentiels pour faire fonctionner ce site, et des cookies facultatifs pour améliorer votre expérience.